- A+
所屬分類:300V螺栓電容
300V18000uf 螺栓電解電容
300V18000uf 螺栓電解電容基本參數介紹
| 額定電壓: | 300V | 額定容量: | 18000uF |
| 溫 ? ? ?度: | 85℃ | 壽 ? ? ?命: | 12000h |
| 重 ? ? ?量: | 約1630g | 封裝尺寸: | 77*220mm |
| 安裝方式: | 底部螺母固定 | 配 ? ? ?件: | 螺絲 M6*12 2PCS |
| 包裝數量: | 12只/箱 | 配 ? ? ?件: | 螺母 1PCS |
300V18000uf 螺栓電解電容電性能參數介紹
| 額定電壓
(V.DC) |
浪涌電壓
(V.DC) |
額定容量
(μF) |
容量偏差
(%) |
損耗角正切
(MAX) |
ESR典型值
(mΩ) |
漏電流
mA , MAX, 5min |
額定紋波電流
(A) |
| 300 | 330 | 18000 | -10~+30 | 0.20 | 6 | 5 | 38 |
| At ?120Hz? 20℃ | 85℃ 120Hz | ||||||
| ? ? ? ? 氣候類別 Environmental? Category : 40/085/56 | |||||||
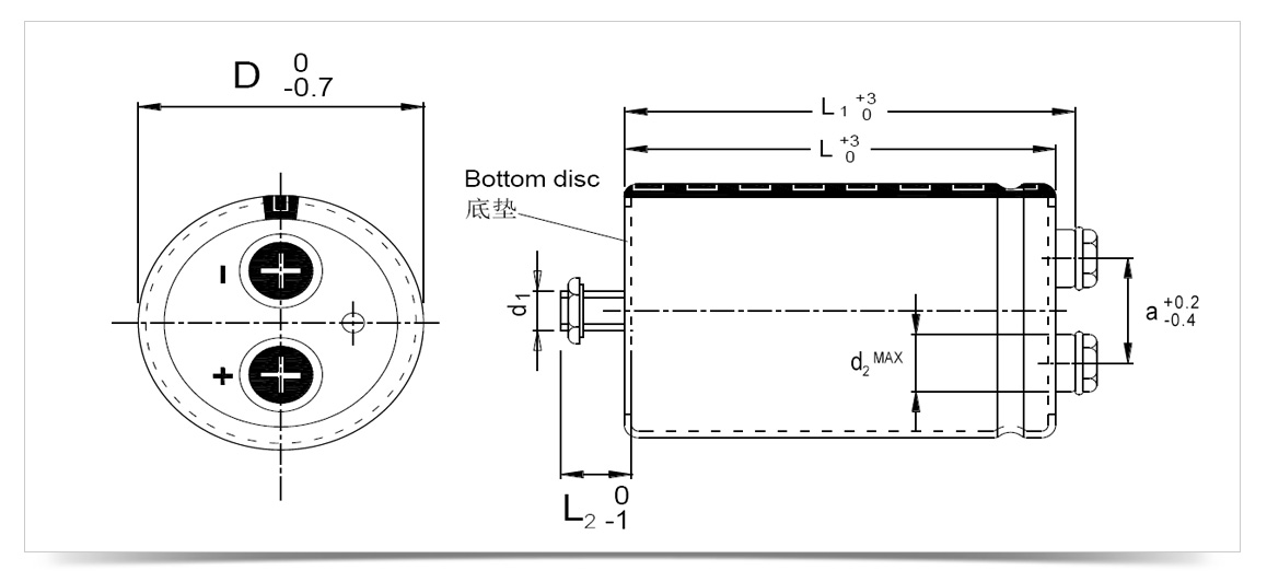
300V18000uf 螺栓電解電容尺寸介紹
? ? ? ? 一、外形結構尺寸

| D: 76.9mm | d2MAX: 17.4mm | L: 220mm | L1: 225.8mm | 螺絲: M6X12 |
| a: 31.7mm | d1: 12mm | L2: 17mm | 套管層數: 2 |
? ? ? ? 二、內型結構圖

?螺栓型電解電容套管說明(雙層套管,負極標識)

螺栓型鋁電解電容器底部編碼說明

CECTN電解電容廠家所生產的么每一只螺栓型電解電容器都會賦予一個唯一的編碼,此編碼可用于追溯數據,在螺栓型電解電容出廠后任可查詢該產品的所有生產記錄以及測試數據等信息。
編碼由11位數字組成,前8位數字為該產品的生產批號,后3位為該批次中,該產品的編號。
300V18000uf螺栓電解電容印字信息詳解

鋁電解電容的料號又兩個部分組成,上面是CECTN商標,下面為電解電容型號,包含訂購代碼、電壓、容量、溫度、壽命、安裝方式等信息。詳細了解請點擊進入《凱琦佳鋁電解電容料號說明》頁面。
螺栓型鋁電解電容器包裝說明

CECTN電解電容采用EPS(聚苯乙烯泡沫)材料制成的上下墊進行固定,EPS材質具有良好的防水、放撞擊、抗擠壓等特性,能夠更好的保護電解電容。
CECTN鋁電解電容采用導電膠條放電,在包裝上墊上安裝電阻大約為3k歐姆左右的導電膠條,產品在包裝后一直處于放電狀態。相比其他電解電容廠家使用鋼絲之類的直接短路放電能夠更好的保護螺栓鋁電解電容。
根據電解電容直徑的不同,CECTN電容每箱包裝數量分為下表中六種:

發貨包裝標準如下:

CECTN電解電容小批量發貨時,直接采用纏繞膜纏繞,大批量發貨時采用卡板堆垛,并用打包帶進行固定,最后外層纏上纏繞膜。(見上圖)
螺栓型鋁電解電容配件(底部螺母安裝結構)

螺栓電解電容生產流程

螺栓型電解電容的生產工序包括開單、切割、卷繞、鉚焊接、浸漬、灌膠裝配、封口、老化、套管、測量、外檢、包裝、一致性檢驗等工序。
FET4300183Q6C500相關資料下載
- 我的微信號
- 掃一掃聯系我
-
- 我的微信公眾號
- 掃一掃關注我
-

